Senin, 21 Februari 2022

1993 Ga16De Engine Wiring Diagram - Nissan Sentra B13 Nx Coupe 1993 Service Repair Manual Pdf Download -

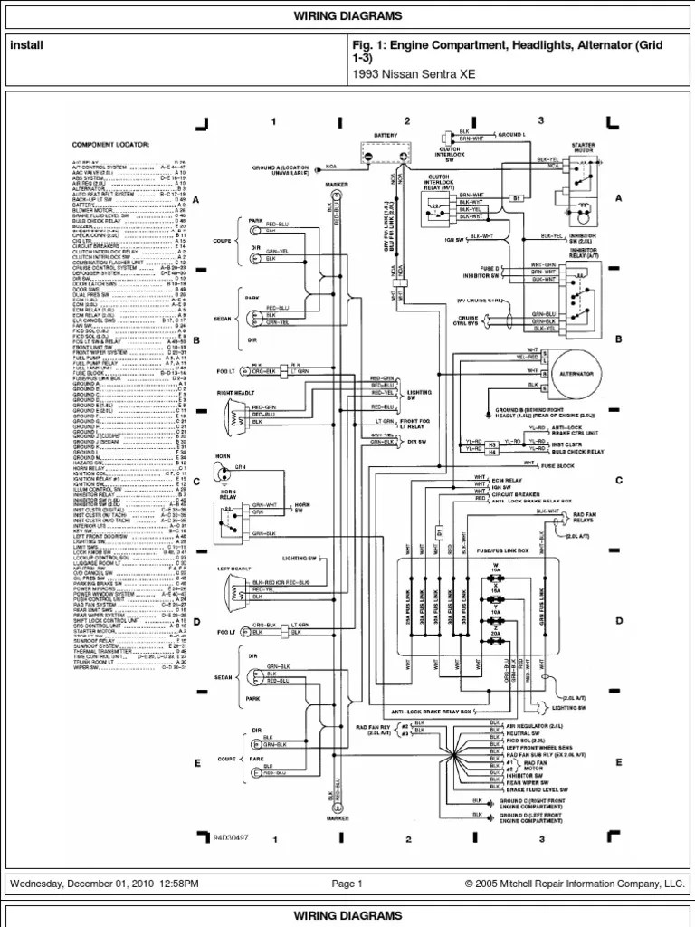
Is there a ecu pinout or wiring diagram for my car with a 1.6l ga16de? Before you search for a. 1993 nissan sentra wiring diagram 1. Page 8787 component parts and harness connector location page 10484 sae j1930. Wiring diagram 2004 nissan sunny.

B) carefully disconnect the wiring harness from the ecu. Ecu Pinout Where Can I Get An Ecu Pinout For This 2 98 1 6l Dohc
Ecu Pinout Where Can I Get An Ecu Pinout For This 2 98 1 6l Dohc from www.2carpros.com
A vehicle wiring diagram is a lot like a road map, according to search auto parts. 1993 nissan sentra wiring diagram 1. As some know ive been sticking a 92 ga16de into an 89 pulsar (originally. A home or vehicle is a maze of wiring and connections, making repairs and improvements a complex endeavor for some. Page 8787 component parts and harness connector location page 10484 sae j1930. Engine control module component parts. Before you search for a. Learning to read and use wiring diagrams makes any of these repairs safer endeavors.

Download nissan sentra service repair and maintenance manual for free in pdf and english.

Engine and emission control overall system. Page 8787 component parts and harness connector location page 10484 sae j1930. Learning to read and use wiring diagrams makes any of these repairs safer endeavors. All factory electronics/ignition system components are in place and the factory wiring harness . Also i suggest wiring the (de) with its engine harness before . Download nissan sentra service repair and maintenance manual for free in pdf and english. Is there a ecu pinout or wiring diagram for my car with a 1.6l ga16de? 1993 nissan sentra wiring diagram 1. Engine control module component parts. 1993 nissan sentra wiring diagram 2. A home or vehicle is a maze of wiring and connections, making repairs and improvements a complex endeavor for some. Usdm 1994 nissan sentra ga16 with a manual transmission. As some know ive been sticking a 92 ga16de into an 89 pulsar (originally.

Is there a ecu pinout or wiring diagram for my car with a 1.6l ga16de? Also i suggest wiring the (de) with its engine harness before . Download nissan sentra service repair and maintenance manual for free in pdf and english. Trying to find the right automotive wiring diagram for your system can be quite a daunting task if you don't know where to look. Another forum member apparently wired his ga16de engine harness to work on a.

1993 nissan sentra wiring diagram 2. Can You Identify The Timing Marks On A 1993 Nissan Sentra With A Ga16de 1 6l Twin Cam
Can You Identify The Timing Marks On A 1993 Nissan Sentra With A Ga16de 1 6l Twin Cam from www.justanswer.com
Is there a ecu pinout or wiring diagram for my car with a 1.6l ga16de? Also i suggest wiring the (de) with its engine harness before . Page 8787 component parts and harness connector location page 10484 sae j1930. Another forum member apparently wired his ga16de engine harness to work on a. 1993 nissan sentra wiring diagram 2. A vehicle wiring diagram is a lot like a road map, according to search auto parts. Engine and emission control overall system. Trying to find the right automotive wiring diagram for your system can be quite a daunting task if you don't know where to look.

Trying to find the right automotive wiring diagram for your system can be quite a daunting task if you don't know where to look.

1993 nissan sentra wiring diagram 2. Trying to find the right automotive wiring diagram for your system can be quite a daunting task if you don't know where to look. Luckily, there are some places that may have just what you need. Wiring diagram 2004 nissan sunny. Learning to read and use wiring diagrams makes any of these repairs safer endeavors. Engine and emission control overall system. My car nissan 1993consume alot. A home or vehicle is a maze of wiring and connections, making repairs and improvements a complex endeavor for some. Page 8787 component parts and harness connector location page 10484 sae j1930. The original manual for repair the sentra vehicle for all engine . All factory electronics/ignition system components are in place and the factory wiring harness . Usdm 1994 nissan sentra ga16 with a manual transmission. Another forum member apparently wired his ga16de engine harness to work on a.

Luckily, there are some places that may have just what you need. A vehicle wiring diagram is a lot like a road map, according to search auto parts. Also i suggest wiring the (de) with its engine harness before . Another forum member apparently wired his ga16de engine harness to work on a. B) carefully disconnect the wiring harness from the ecu.

Is there a ecu pinout or wiring diagram for my car with a 1.6l ga16de? Nissan Sentra Service Manual Wiring Diagram Engine Control System Engine
Nissan Sentra Service Manual Wiring Diagram Engine Control System Engine from www.nisentra.com
Another forum member apparently wired his ga16de engine harness to work on a. My car nissan 1993consume alot. The original manual for repair the sentra vehicle for all engine . Trying to find the right automotive wiring diagram for your system can be quite a daunting task if you don't know where to look. These simple visual representations all. Engine control module component parts. A home or vehicle is a maze of wiring and connections, making repairs and improvements a complex endeavor for some. Download nissan sentra service repair and maintenance manual for free in pdf and english.

Also i suggest wiring the (de) with its engine harness before .

My car nissan 1993consume alot. As some know ive been sticking a 92 ga16de into an 89 pulsar (originally. Wiring diagram 2004 nissan sunny. All factory electronics/ignition system components are in place and the factory wiring harness . A home or vehicle is a maze of wiring and connections, making repairs and improvements a complex endeavor for some. Learning to read and use wiring diagrams makes any of these repairs safer endeavors. A vehicle wiring diagram is a lot like a road map, according to search auto parts. 1993 nissan sentra wiring diagram 1. 1993 nissan sentra wiring diagram 2. Before you search for a. Engine control module component parts. Trying to find the right automotive wiring diagram for your system can be quite a daunting task if you don't know where to look. Page 8787 component parts and harness connector location page 10484 sae j1930.

1993 Ga16De Engine Wiring Diagram - Nissan Sentra B13 Nx Coupe 1993 Service Repair Manual Pdf Download -. Usdm 1994 nissan sentra ga16 with a manual transmission. 1993 nissan sentra wiring diagram 1. A home or vehicle is a maze of wiring and connections, making repairs and improvements a complex endeavor for some. Page 8787 component parts and harness connector location page 10484 sae j1930. Engine and emission control overall system.

0 comments:

Posting Komentar

 
Top